FM-753 3DG-Ankerbolzen – Ergänzung für Außenpfostenbasen und ZPro-Anschlüsse
Der Ankerbolzen FM-753 3DG ist ein Dehnungsbefestigungssystem für schwere Lasten auf ungerissenem Beton, das dank seiner 3DG-Beschichtung, die mit feuerverzinkten oder ZPRO-Teilen kompatibel ist, im Innen- und Außenbereich einsetzbar ist.
- Referenz
- Länge65mm
- HerstellungFrançaise
- MaterialAcier trempé
- MarkeSIMPSON Strong-Tie
- VerkleidungSpécial anti-corrosion 3DG finition mat
- Epaisseur maximale pièce à fixer [tfix,max] avec profondeur d’ancrage standard [hef,STD]7mm
- Epaisseur maximale [tfix,max] pièce à fixer avec profondeur d’ancrage réduite [hef,RED]15mm
- Diamètre maximal perçage pièce à fixer [df] [mm]9mm
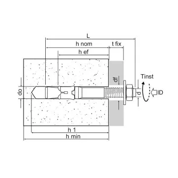
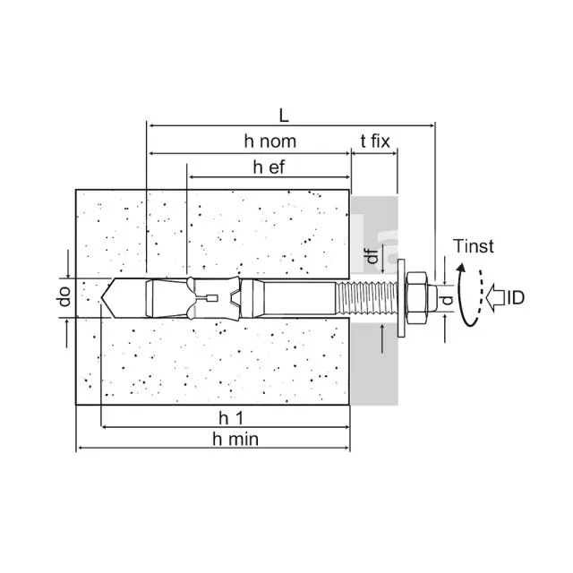
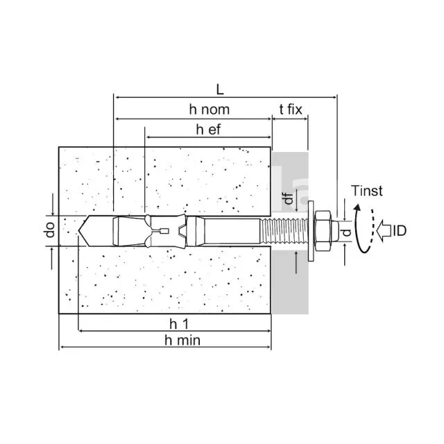
- Diamètre perçage [do] x profondeur [h1] dans le support [mm]8x60mm
- Couple de serrage [Tinst] [Nm]15Nm
- Profondeur d’ancrage standard [hef,STD]40mm
- Minimale Bohrtiefe [h1]60mm
- Distance entraxes minimale [mm]55mm
- Distance au bord mini [cmin]55mm
- Flach Schlüsselweite (SW)13mm
- Mindestdicke des Trägermaterials, hmin100mm
Merkmale
Gegenstand
- Gehärteter Stahl,
- Spezielle korrosionsbeständige 3DG-Mattbeschichtung,
- Spreizring aus Edelstahl A4 für maximale Haftung an den Lochwänden.
Vorteile
- Einsparungen bei der Installationszeit
- Montage durch das zu befestigende Element, Bohr-Ø = Dübel-Ø
- Sofortige Erweiterung,
- Vormontierte Mutter und Unterlegscheibe
- Erhöhte Dicke der 3 Expansionssegmente
- Sechs Edelstahlzähne für bessere Haftung an den Lochwänden,
Anwendung
Einsatzbereiche
- Strukturelle Befestigungen,
- Fassaden,
- Leitplanke,
- ITE-Verkleidungshalterungen, Strukturschuhe,
- Statische oder quasistatische Belastungen.
- ZPRO-Steckersortiment
Unterstützt
- Ungerissener Beton,
Technische Daten
Abmessungen
| Referenzen | Produktreferenz | Abmessungen [ØxL] [mm] | Dicke. max [tfix,max] PCE zum Fixieren mit Prof. Standardanker [hef,STD] [mm] | Ep. max [tfix,max] PCE zum Fixieren mit Prof. reduzierte Verankerung [hef,RED] [mm] | maximaler Bohr-Ø Stück zur Befestigung [df] [mm] | Bohr-Ø [do] x Tiefe [h1] im Träger [mm] | Ep. Mindestauflage [hmin] [mm] | Standard-Verankerungstiefe [hef,STD] [mm] | Anzugsdrehmoment [Tinst] [Nm] | Menge pro Karton} } |
| 75320C0806500 | FM-753 3DG | M8x65 | 7 | (15) | 9 | 8x60 | 100 | 40 | 15 | 100 |
| 75320C1007500 | M10x75 | 5 | (20) | 12 | 10x70 | 100 | 50 | 25 | 50 | |
| 75320C1211000 | M12x110 | 20 | (35) | 14 | 12x85 | 120 | 60 | 50 | 50 |
Berechnungswerte – Isolierter Anker – Kein Randabstand
| Referenzen | Abmessungen [ØxL] [mm] | Produktreferenz | Berechnungswerte – isolierter Anker – keine Randabstände | ||||||||
| Berechnungswerte - Ungerissener Beton | |||||||||||
| Spannung - NRd | Scherkraft - VRd (1-2) | Biegemoment MRd [Nm] | |||||||||
| C20/25 [kN] | C30/37 [kN] | C40/50 [kN] | C50/60 [kN] | C20/25 [kN] | C30/37 [kN] | C40/50 [kN] | C50/60 [kN] | ||||
| 75320C0806500 | M8x65 | FM-753 3DG | 8 | - | - | - | 5.4 | - | - | - | - |
| 75320C1007500 | M10x75 | FM-753 3DG | 8 | - | - | - | 9.3 | - | - | - | - |
| 75320C1211000 | M12x110 | FM-753 3DG | 15.2 | - | - | - | 13.4 | - | - | - | - |
1. Die veröffentlichten Lasten werden aus den Teilsicherheitsbeiwerten der ETAs berechnet. Diese Lasten werden für unbewehrten Beton und normalen Stahlbeton berechnet, deren Stababstände s ≥ 15 cm (alle Durchmesser) bzw. s ≥ 10 cm haben, wenn ihr Durchmesser kleiner oder gleich 10 mm ist.
2. Querlasten werden für die alleinige Verankerung ohne Berücksichtigung des Abstands vom Plattenrand angegeben. Bei randnahen Ankern (c ≤ max [10 hef; 60d]) muss der Bruch am Plattenrand gemäß ETAG001, Anhang C, Methode A überprüft werden.
3. Der Beton gilt als nicht gerissen, wenn die Spannung im Inneren des Betons gleich σL + σR ≤ 0 ist. In Ermangelung einer detaillierten Überprüfung gehen wir von σR = 3 N/mm2 aus (σL entspricht der Spannung im Inneren des Betons). Beton, der durch äußere Lasten, einschließlich Ankerlasten, entsteht).
Empfohlene Kapazitäten - Einfache Verankerung - Kein Abstand zum Rand
| Referenzen | Produktreferenz | Abmessungen [ØxL] [mm] | Empfohlene Belastungen – ungerissener Beton | ||||||||
| Spannung - NRd | Scherkraft - VRd | Biegemoment MRd [Nm] | |||||||||
| C20/25 [kN] | C30/37 [kN] | C40/50 [kN] | C50/60 [kN] | C20/25 [kN] | C30/37 [kN] | C40/50 [kN] | C50/60 [kN] | ||||
| 75320C0806500 | FM-753 3DG | M8x65 | 5.7 | 6.1 | 6.5 | 6.8 | 4.4 | 4.4 | 4.4 | 4.4 | 11.4 |
| 75320C1007500 | FM-753 3DG | M10x75 | 5.7 | 6.3 | 6.8 | 7.4 | 6.6 | 6.6 | 6.6 | 6.6 | 23.3 |
| 75320C1211000 | FM-753 3DG | M12x110 | 11.2 | 12.3 | 13.4 | 14.6 | 9.6 | 9.6 | 9.6 | 9.6 | 34.3 |
1. Bei Wechselwirkung von Zug- und Querlasten (Hebelarm) sowie bei Ankergruppen und/oder Kanteneinfluss eine Berechnung nach ETAG 001, Anhang C, Bemessungsmethode A (August 2010) oder CEN/TS 1992-4-4 muss unter Berücksichtigung aller Europäischen Technischen Bewertungen ETA-13/0367 durchgeführt werden.
2. Die Belastungsdaten berücksichtigen die in der Europäischen Technischen Bewertung ETA-13/0367 angegebenen Teilsicherheitsbeiwerte der Widerstände und einen Teilsicherheitsbeiwert der Belastung. Die angegebenen Werte gehen von unbewehrtem oder normalbewehrtem Beton mit Bewehrungsstababstand s ≥ 15 cm bzw. s ≥ 10 cm mit Bewehrungsstabdurchmesser ds ≤ 10 mm aus.
Durchführung
Mittelpunkte und Randabstände
| Referenzen | Mittelpunkte und Randabstände | |||||
|---|---|---|---|---|---|---|
| Produktreferenz | Abmessungen [ØxL] [mm] | Mindestrandabstand [cmin] [mm] | Dist. minimaler Achsabstand [smin] [mm] | Dist. Charakteristische Achsabstände [scr,N] [mm] | Abstand zur charakteristischen Kante [ccr,N] [mm] | |
| 75320C0806500 | FM-753 3DG | M8x65 | 55 | 55 | 120 | 60 |
| 75320C1007500 | FM-753 3DG | M10x75 | 55 | 55 | 150 | 75 |
| 75320C1211000 | FM-753 3DG | M12x110 | 90 | 90 | 180 | 90 |
Montagedaten
| Referenzen | Baugruppendaten | ||||||||
|---|---|---|---|---|---|---|---|---|---|
| Produktreferenz | Abmessungen [ØxL] [mm] | Bohr-Ø [d0] [mm] | Prof. min. Bohrtiefe [h1] [mm] | Ø Bohrung im zu befestigenden Teil (durchgehend) [df] [mm] | Schlüsselweite auf Fläche [SW] [SW] [mm] | Anziehdrehmoment [Tinst] [Nm] | Prof. Verankerung [hef] [mm] | Ep. Mindestauflage [hmin] [mm] | |
| 75320C0806500 | FM-753 3DG | M8x65 | 8 | 60 | 9 | 13 | 15 | 40 | 100 |
| 75320C1007500 | FM-753 3DG | M10x75 | 10 | 70 | 12 | 17 | 25 | 50 | 100 |
| 75320C1211000 | FM-753 3DG | M12x110 | 12 | 85 | 14 | 19 | 50 | 60 | 120 |
SIMPSON Strong-Tie
Beispiellose Zuverlässigkeit und Service
Seit seiner Gründung in Europa im Jahr 1994 hat sich Simpson Strong-Tie dank seines anerkannten Know-hows und seiner geprüften Produktqualität zu einem zuverlässigen Wert im Bereich der Verbindungstechnik entwickelt. Dank jahrelanger Erfahrung sind Sicherheit, Zuverlässigkeit und die Einhaltung von Vorschriften eine ständige Verpflichtung.











